| Sign In | Join Free | My tjskl.org.cn |
|
Brand Name : HEMEI
Model Number : HM1264-11T
Place of Origin : China
MOQ : 1000
Price : USD0.1~0.5/PCS
Payment Terms : L/C, T/T, Western Union
Supply Ability : 10000PCS/MONTH
Packaging Details : Standard Carton
Materail : Mn、Zn
Inductance : 600~1000uH
DC resistance : 10KHZ 0.3V 30Ω
Turn ratio : 11
Voltage : 500VAC
test condition : 2S/3mA
Low Core Loss At Frequency Three-Wire Filter Inductor For Television Receiver
Applications
| NO | Item | Test pin | Test value | Condition |
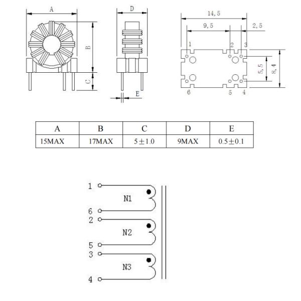
| 1 | Inductance | L1-6=L2-5=L3-4 | 600~1000uH | 10KHZ 0.3V 30Ω |
| 2 | Voltage | 1,2,3-6,5,4 | 500VAC | 2S/3mA |
| 3 |
Diagram



|
|
EE Choke Coil Inductor 1000uH 10KHZ Ring Color Code Inductors Images |